浙江巨辉电气有限公司是一家长期致力于系列电源产品研发、生产、销售、服务为一体的科技创新型企业。公司拥有先进的检测设备、精湛的生产工艺、完善的科技管理体系,以客户需求为中心,在国内为多家企业提供产品、获得了众多企业的一致信任和好评。
公司目前产品主要有:BK、BKC系列控制变压器,JBK系列机床控制变压器,SG、SBK、ZSG系列三相干式(整流)变压器,JMB、BZ行灯、照明系列变压器等系列产品,并以高质量、高效率、高服务的发展理念赢得广大用户的信赖。
公司始终致力于通过技术、管理和产品的不断优化,实现公司价值最大化,将公司发展成为富有竞争力、富有创造力、富有价值的企业。公司拥有先进的检测设备、精湛的生产工艺、完善的科技管理体系,以客户需求为中心,在国内为多家企业提供产品、获得了众多企业的一致信任和好评。
本着以客户为中心,与客户紧密联系的思想,我公司不断关注客户的需求、愿望,及时提供个性化服务,让客户感到满意,并深受广大客户信赖,从而将营销工作提升到了一个新的高度!
13575424419
Lang
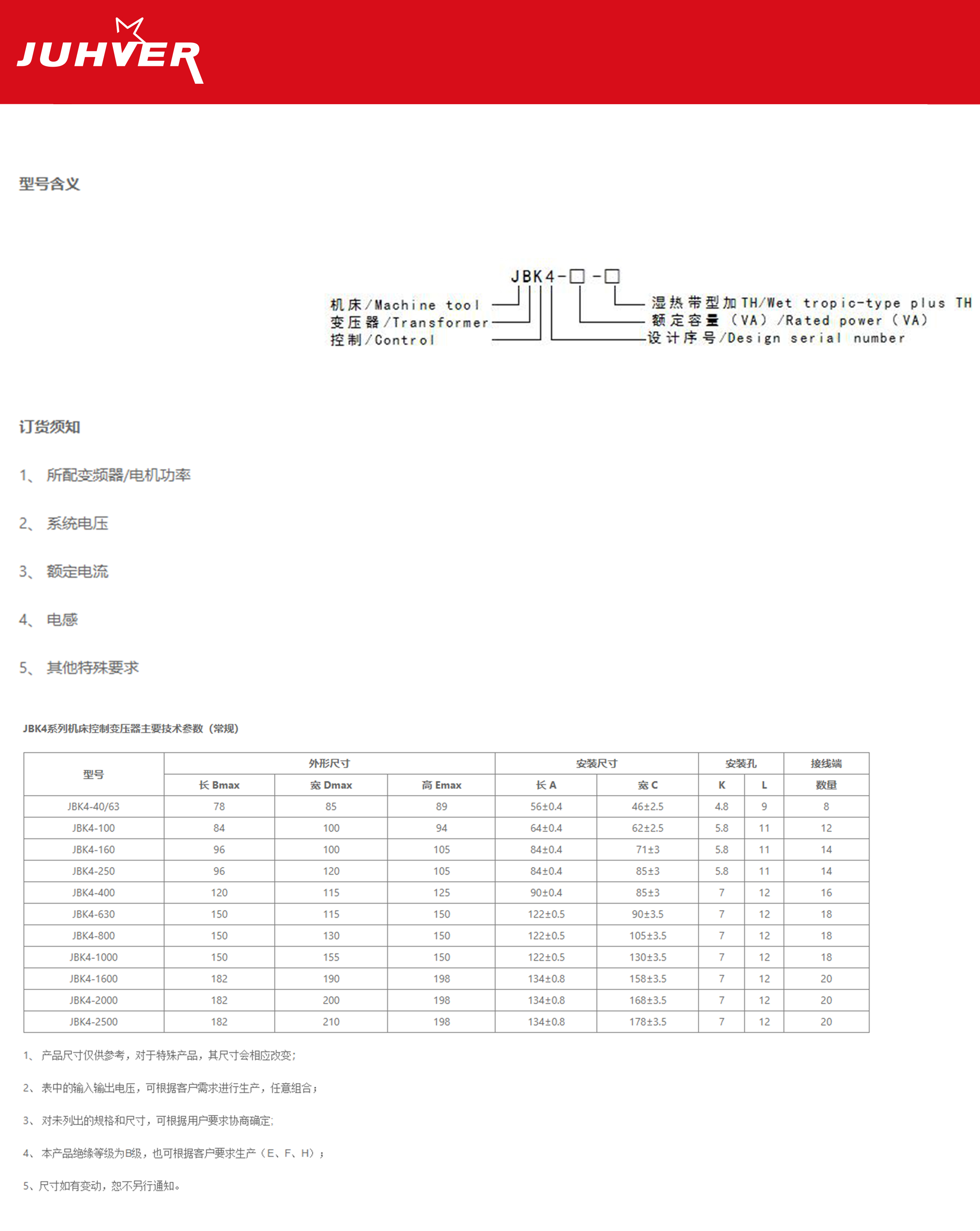
JBK4系列机床控制变压器是参照联邦德国西门子公司(SI1 EMENS)八十年代先进技术设计制造的新系列产品,符合VDE0551、IEC204-1、1EC439、GBT5226.1-2002等有关标准,可与国外同类产品互换使用。接线方式可采用压接方式。并具有防止偶然触及保护要求的接线端子。该产品适用于交流50/60HZ、输入电压不超过1000V,能广泛用于机床、数控设备、机械设备等一般电器的控制电源,工作照明和信号灯的电源之用。
联系热线:13575424419
BK系列控制变压器
JBK3系列机床控制变压器
ZSG系列三相干式(整流)变压器
BZ系列行灯、照明变压器
还想了解该产品更多信息?请联系我们!
当前产品不符合您的需求? 立即去定制您的产品
您选择的是JBK4机床控制变压器,我们将会有专业的客服人员服务您,若有任何疑惑,客服人员将为您解答。
*为了您的隐私和安全,我们将严格保密您的信息
巨辉电气向您保证价格与质量如站上信息相符,请您放心咨询!
294695443@qq.com
Copyright © 浙江巨辉电气有限公司 All Rights Reserved.
联系
咨询